서 론
본 론
고래-Ⅴ 구조 탐사성공
개발/생산 개요
탐사정/평가정 자료 해석
개발사양 평가
개념설계 및 타당성 평가
기본설계 및 EPCIC
생산정 시추 및 유정완결
생산단계
생산량 관리
생산량 증대 노력
매장량 평가 및 저류층 관리
천연가스 공급중단 및 향후 저류층 활용
결론 및 요약
서 론
우리나라의 대륙붕에 대한 본격적인 석유/가스 탐사는 1960년대에 시작되었다. 1970년 1월 1일 정부는 해저광물자원법을 제정 및 공포하고 Fig. 1과 같이 영해를 여러 광구(block)로 획정하고 본격적인 석유탐사의 첫걸음을 시작하였다. 그러나 1970년대 당시 우리나라의 경제능력 및 기술수준을 감안할 때 투자비 및 기술적인 측면에서 전적으로 외국회사에 의존할 수 밖에 없었다. 동시에 외국회사의 석유탐사 및 개발현장에 국내 기술인력을 파견하여 탐사기술 습득 및 경험을 축적하게 하는 것만이 기술 습득의 유일한 방법이었다. 이에 따라 우리 정부는 외국 석유회사에 조광권을 부여하여 국내 대륙붕개발을 추진하는 조광권제도를 도입하게 되었다. 1970년과 1971년 물리탐사를 실시하고, 1972년 Shell사는 6–1광구 즉, 대륙붕에 최초로 시추를 수행하였다. 1970년대 Gulf사, Shell사, Texaco사 등이 국내의 서해, 남해 및 동해 대륙붕지역에서 다양한 탐사활동을 수행하였으나 뚜렷한 성과를 거두지는 못하였다. 1979년 대한석유개발공사(현 한국석유공사) 설립 이후, 1980년대부터는 자주적 석유개발 조성기로 일컬어지며 82년 대륙붕 물리탐사계획 수립을 필두로 하여 96년 대륙붕 종합평가까지 다양한 시추활동과 취득자료 분석이 이루어졌고, 98년 7월 6–1광구 고래–Ⅴ 구조에서 양질의 천연가스 저류층들을 발견하기에 이르렀다. 이듬해 평가시추 결과를 바탕으로 대략 200~400 bcf 이상 규모의 부존량을 확인하였고(GCA, 1999), 약 5년간의 개발과정을 끝내고 2004년 7월 11일 국내최초로 천연가스와 초경질유 생산을 개시하였다.
동해–1 가스전은 우리나라를 95번째 산유국으로 만들어준 가스전이다. 이는 98년 상업성이 확보된 양질의 저류층을 발견하여 개발/생산을 거쳐 생산종료에 이르기까지 국내회사가 100% 지분을 소유하며 독자적으로 운영한 성공적인 사례이다. Table 1은 고래–Ⅴ 구조의 탐사성공이후, 동해–1 가스전의 개발/생산 이력을 간략히 소개하고 있다.
Table 1.
Brief history of Donghae-1 gas field development and production
동해–1 가스전은 우리나라 독자적 석유개발의 효시로서의 상징성이 매우 큰 광구이다. 본 논문에서는 동해–1 가스전을 발견하기까지의 탐사과정, 국내최초의 석유생산시설인 동해가스전의 개발 및 생산 전 과정에서의 주요 이슈들과 현안들을 소개하고자 한다. 더불어, 대표적인 문제극복 사례들과 운영노하우를 소개함으로써, 국내외 광구운영에 도움되고자 한다.
본 론
고래-Ⅴ 구조 탐사성공
동해 울릉분지의 탐사는 정부의 해저광물자원개발법이 공포되면서 시작되었고, 동해 지역에는 네덜란드 Shell사가 탐사사업에 참여하면서 본격적인 탐사활동이 시작되었다. 당시의 탐사플레이는 대규모 구조트랩을 찾아 대규모 유전 즉, 자이언트 유전을 발견하는 것이었다. 1971에서 1972년까지 광역탐사 이후 1973년 돌고래–Ⅰ시추(4,262 mTVDSS) 작업을 수행한 Shell사는 1976년 말 추가 시추작업 없이 6–1광구 탐사사업에서 철수하였다. 이후 자주적 석유개발을 목표로 1979년 설립된 한국석유공사의 주도하에 1990년까지 돌고래 구조대 지역에 8공의 집중적인 시추가 이루어졌고, 모두 구조트랩을 목표로 하는 탐사개념이었다.
돌고래–Ⅰ 탐사정을 시추한 이후 동해 울릉분지에 대한 종합분석을 통해 동해 울릉분지 내 석유/가스 부존 가능성을 확인하였다. 이어 1983년 2,838 l-km 2차원 탄성파 물리탐사를 실시하였고, 이후 돌고래–Ⅲ 구조를 기초시추 대상으로 선정하여 1987년 시추를 실시하였다. 이 과정에서 산출시험(Drill Stem Test, DST)을 통해 국내 최초의 가스부존 사암을 확인하였다.
돌고래–Ⅲ 가스발견 이후 돌고래 구조트랩에 2공의 평가정을 시추하였으나 상업성 미달을 확인하였다. 이후 돌고래–Ⅱ 탐사정 시추, 돌고래–Ⅴ 탐사정 및 1공 평가정 시추, 돌고래–Ⅶ 탐사정 시추 결과 등에서 반복적으로 가스발견 및 상업성 미달 확인의 과정이 이어졌다. 그러나 이러한 경험들은 동해 울릉분지에 석유시스템의 존재와 내역에 대한 이해의 수준을 높이는 기술적 성장의 과정이었다. 이를 통해, 불확실하던 동해 울릉분지의 석유 및 천연가스의 존재 가능성을 조금씩 확인하게 되었다.
실제로 초기의 탐사자료 해석은 탄성파 단면상의 강한 진폭에 주목하면서 구조도를 작성하여 구조트랩을 찾아내는 방식이었다. 이후 석유시스템에 대한 전문인력이 충원되면서 전중합자료(pre-stack)의 진폭분석을 통해 가스의 존재를 지시해주는 AVO(Amplitude Verse Offset) 분석 등의 탄화수소직접지시자(Direct Hydrocarbon Indicator, DHI) 분석, 지화학 분석을 통한 근원암 분석, 석유 생성시기 및 이동시기를 분석하는 분지해석, 광역구조운동 및 트랩형성시기를 밝히는 구조해석 등 석유의 발견에 이르는 기초적이며 종합적인 분석이 수행되는 기술적 진보를 이루게 되었다.
이후 동해지역에 대한 분지평가, 저류암 평가, 지구조분석(tectonics) 등 석유시스템에 대한 지식을 축적할 무렵에 이르러, 당시 엑손(Exxon)사를 주축으로 전세계 석유업계로 전파된 시퀀스 층서 해석 기술이 국내에도 보급되었다. 이를 바탕으로 층서플레이, 구조-층서 복합 플레이에 대한 안목과 시각을 가질 수 있게 되었으며, 1970년대 초 Shell사가 주목하지 못했던 6–1광구 내 비변형 층서트랩 지역을 타겟으로 층서형 집적형태의 유망구조에 주목하기 시작했다.
이 과정에서 제 6–1광구 북서부지역에서 수행된 1983년에서 1992년까지의 2차원 물리탐사자료를 종합해석한 결과 고래 비변형대 지역에서 구조 플레이가 아닌 층서플레이가 가능함을 확인하였다. 추천된 5개의 유망구조 중 우선 고래–Ⅰ 시추공을 통해 비변형대로의 탄화수소 이동 및 트랩이 가능함을 입증하였으며, 저류층의 치밀성으로 인하여 대량의 탄화수소의 부존은 불가능함을 확인하게 되었다. 이어 또 다른 유망구조인 고래–Ⅴ 구조에 대한 시추가 1998년에 이루어진 결과 상업성이 있는 가스전 발견으로 이어졌다. 이는 1970년 6–1광구 지역에서 최초로 물리탐사가 시작된 이후 13번째의 탐사시추를 거친 28년간의 노력의 성과이며, 구조트랩 개념의 단순 탐사플레이에서 동지역에 대한 이해의 폭을 넓혀 층서 및 구조 복합트랩의 탐사플레이를 적용한 신규탐사개념을 적용하여 발견에 성공한 좋은 사례이기도 하다(Fig. 2). 이후에도 울릉분지에서의 탐사성공을 위해 지속적으로 탐사활동이 이어지고 있으며, 최근에는 탐사의 대상을 동해 심해지역으로 확대하고 있다.
개발/생산 개요
탐사로부터 발견한 저류층은 각각 저류층 1, 2, 3, 4이며, 생산정 A, B, C, D 총 4공의 생산정이 있다(Fig. 3). 생산정 A, D는 각각 저류층 1, 4의 천연가스와 초경질유를 생산하였으며, 생산정 B, C는 저류층 2와 3을 교차유동(commingled flow) 방식으로 생산해 왔다. Fig. 4는 탐사정, 생산정 시추와 생산이슈 등의 전체 기술적 사안들에 대한 연혁을 나타낸 것이다.
탐사시추 성공이후 3공의 평가정을 시추하였으며, 이를 바탕으로 저류층의 연결성, 저류층 암석과 유체의 물성들에 대한 추가자료를 취득하였다. 이는 추후 개발계획 수립 및 생산거동 예측의 주요자료로 활용된다.
저류층에 대한 평가를 바탕으로 시설물에 대한 개념설계 및 분석, 기술적/경제적 타당성 평가를 수행하고, 이후 제작/설치/시운전의 과정을 거치게 된다. 이 기간 동안 개발계획에 맞추어 생산정 시추 및 유정완결 작업을 완료하였고 2004년 생산을 개시하였다. 생산정 A, B, C를 먼저 운영하고 생산정 D는 2009년에 생산운영을 시작하였다. 2016년에는 인근 가스전인 동해–2를 기존 생산시설에 연결(tie-in)하여 생산하였다. 동해–2 가스전은 2021년 8월경 종료하였으며 동해–1 생산정들은 2021년 12월 31일에 천연가스공급을 종료하였다.
해외의 대형 유가스전에 비해서 동해–1은 사실상 규모가 상당히 작은 경제성 한계 가스전(marginal gas field)으로 볼 수 있다. 탐사 성공과는 별개로 한계 가스전에 대해 경제성을 고려한 개발 및 생산 과정은 국내 석유개발사에 있어 커다란 도전으로 평가되었다. 이러한 탐사, 개발 및 생산 과정에서 적용한 다양한 기술과 노력에 대해 정리하였다.
탐사정/평가정 자료 해석
탐사정/평가정 시추 과정에서 수행한 물리검층, MDT, 유체/코어 샘플링 등을 통해 다양한 자료들을 취득하였다. 개발계획 수립과 연관성이 큰 자료들을 Table 2에 정리하였다. 국내 최초의 상업적 개발에 대한 가능성을 높이기 위해 비교적 많은 수의 탐사정과 평가정을 시추하였으며 이를 통해 다양한 자료가 취득되었다. 다양한 물리검층 자료들로부터 탐사단계에서 도출한 플레이 개념을 검증하였다. 또한, 수차례의 DST를 통해서 발견한 저류층 내 유체 유동성, 압력 및 생산성에 대한 검증작업과 불확실성 확인 작업들을 수행하였다.
Table 2.
Data acquisition through exploration/appraisal/production wells (Gorae-V)
| well name | year | well | reservoirs | DST | SCAL | PVT | Remarks |
| Gorae-V | 1998 | exploration | 0, 1, 2, 3, 4 | ㅇ | |||
| Gorae-V-1 | 1999 | appraisal | 0, 1, 2, 3, 4 | ㅇ | ㅇ | ㅇ | |
| Gorae-V-2 | 1999 | appraisal | 0, 1, 2, 3, 4 | ㅇ | ㅇ | ||
| Gorae-V-4 | 2003 | appraisal | 4, 5 | ㅇ | ㅇ | ||
| A | 2002 | production | 0, 1* | ㅇ | |||
| B | 2002 | production | 0, 1, 2*, 3*, 4 | ㅇ | Rock property report | ||
| C | 2002 | production | 0, 1, 2*, 3*, 4 | ㅇ | ㅇ | Caprock analysis | |
| D | 2007 | production | 4*, 5 | ㅇ |
Fig. 5는 평가정에서의 DST 해석의 예를 나타낸 것이다. DST는 가스전에서의 일반적인 DST과정을 적용하였으며, 테스트 기간의 조사반경(radius of investigation)은 지형경계에 미치지 않아서 무한방사유동(infinite-acting radial flow)의 개념으로 해석하였다(KNOC, 1998). 취득한 결과에 대한 해석은 semi-log분석, log-log분석을 통해 비교/검증을 수행하며, 초기 저류층 압력, 유체투과율, 손상지수(skin factor) 등의 저류층 변수들의 불확실성 범위가 크지 않음을 확인하였다. DST해석결과와 코어분석, MDT 및 물리검층 등의 자료들을 종합적으로 판단하여, 유체투과율은 수십 md의 매우 양호한 저류층임을 확인하였다. DST 해석결과로부터 각 저류층의 천연가스 생산을 위해 소수의 생산정으로도 충분하다는 것을 확인하였다.

Fig. 5.
Data acquisition and analysis through DST (appraisal well DST #3) (a) data acquisition (b) example of DST analysis (KNOC, 1998).
또한, 유체샘플로부터 유체의 성상은 습가스(wet gas)에 가까운 것을 확인하였다. 이는 저류층에서 단상으로 존재하는 유체가 지표로 유동할 시, 생산관 내에서 천연가스와 초경질유 즉, 기체와 액체의 2상(two-phase) 유동이 발생함을 의미한다. 생산되는 물과 함께 3상(3-phase)의 유체를 육상으로 운송하는 문제는 개발방안 결정의 중요한 요소가 된다. 본 가스전의 경우, 유동안정성(flow assurance)분석 결과해상 플랫폼에서 수분제거 이후 2상의 유체를 해저 파이프라인을 통해 육상으로 운송하는 방식을 선택하였다.
개발사양 평가
탐사자료 및 평가정 자료들에 대한 해석이 끝나면 이를 바탕으로 초기단계에서의 개발옵션 및 개발사양에 대한 평가가 이뤄져야 한다. 개발옵션은 여러 다양한 방안들을 단계적으로 제외하는 방식으로 진행되었다. 즉, 생산물의 주요처리시설인 수처시리설(bulk water separation), 가스 가압시설(compression), 탈수시설(dehydration), 이슬점 처리시설(dew pointing), 초경질유 안정화시설(condensate stabilization) 등에 대해 다양한 방안들 중에서 기술적 및 경제적 판단을 통해 최종안을 도출하였다(Fig. 6).
앞서 언급한 바와 같이, 소규모 가스전에 대한 경제적 개발은 본 가스전 개발의 핵심과제였다. 경제적 개발을 위한 핵심사항 중 하나는 초기 자본투자(Capital Expenditure, CAPEX) 비용을 줄이기 위해 초경질유를 천연가스와 함께 해상 파이프라인을 통해서 운송하도록 결정한 것이다. 또 다른 사항으로는 당시로서는 도전적 과제로서 생산시설을 해저에 설치하여 해상플랫폼의 크기를 줄이는 것이었다. 이 두 가지 사항은 경제성을 향상시키는 효과가 있으나, 안정적인 천연가스공급에 위험요소로 작용할 수 있다. 하지만, 실제로 석유공사는 생산기간 동안 지속적인 모니터링 및 정기적 유지보수 노력들을 통해 무사고 운영을 수행할 수 있었다.
개념설계 및 타당성 평가
Fig. 6은 해상에서 1차 수분제거 후 해저 파이프라인을 통하여 천연가스 및 초경질유를 해저파이프라인을 통해 수송하고 육상에서 최종적으로 천연가스와 초경질유를 분리한 후 2차 수분제거, 탄화수소 이슬점(hydrocarbon dew point) 등 판매사양을 충족시켜 판매하는 방식에 대한 흐름도를 나타낸 것이다. 세부 사양에 대한 타당성 평가가 Table 3에 정리되어 있다(Genesis, 2000). 특히, 초기 조건에서의 생산유체의 파이프라인 내 유동안정성에 대한 분석을 수행하여, 다상의 유체유동이 안정적으로 구현가능함을 확인하였다.
Table 3.
Subjects investigated in feasibility study and conceptual design
동해–1 가스전은 국내 최초의 가스전, 소규모 가스전, 판매처 및 수요가 다양하지 않은 점 등의 여러 특수성으로 인해 일반적인 광구개발단계 중 일부를 통합하여 수행하였다. 다양한 분석과 관련 스터디를 자체적으로 수행함으로써 개념선정 및 개념설계 등 타당성 평가 단계를 일부 단축할 수 있었다. 이를 통해 선별된 옵션들에 대해서 타당성 평가를 수행하였고, FEED(Front-End-Engineering Design) 단계에서는 타당성조사 시 최종 선정된 다음의 두 옵션에 대해서 분석하였다.
1) 3상 유체를 육상으로 운송 후 육상 처리시설에서 최종 처리 및 판매
2) 해상 1차 처리 후 육상 최종처리 및 판매
이 두 방식 중 운영의 안정성을 고려하여 ‘해상 1차 처리 후 육상 최종처리 및 판매’의 개발방식이 선정되었다. 선정된 방식에 부합하도록 최종적으로 가스전 운영에 필요한 육상과 해상의 시설물을 다음의 Table 4와 같이 도출하였다.
Table 4.
Offshore/onshore facilities in the final development concept
기본설계 및 EPCIC
개념선정 및 설계 단계에서 최종 선정된 개발개념에 대한 FEED가 2000년에 수행되었다. 앞서 도출된 시설물 설계기준, DST 결과 및 유체특성 등을 고려하여, Table 5의 설계기준을 바탕으로 아래의 생산시설 구성요소에 대한 설계를 진행하였다. 최종 설계된 동해–1 가스전의 개발 모식도는 Fig. 7과 같다.
생산시설 구성요소 설계
- Subsea system(해저생산시설)
- Wellhead(정두시설)
- Flowline(유동파이프라인)
- Subsea control system(해저제어시스템)
- Umbilical(유정통제라인)
- Substructure(해상플랫폼 자켓 하부구조물)
- Riser(라이저)
- Topside process, electrical, instrument, piping, mechanical/structural architectural 등
: 해상플랫폼 상부 공정, 전기, 계장, 배관, 기계, 구조, 건축 등
- Pipeline route transient analysis & Flow assurance of export pipeline
: 송출 파이프라인에 대한 파이프라인 유동성 분석 등
- Onshore terminal process, electrical, instrument, piping, mechanical/structural architectural 등
: 육상터미널 공정, 전기, 계장, 배관, 기계, 구조, 건축 등
- Gas & condensate export system(천연가스 및 초경질유 수송시스템)
Table 5.
Design conditions for production facilities (Genesis, 2000)
| Parameter | Data | |
| Production rate / well | 50 mmscfd (average) | |
| Swing factor* | maximum | 1.5 |
| minimum | 0.5 | |
| Daily gas production rate | 75 mmscfd | |
| Condensate-gas ratio (CGR) | 15 stb/mmscf | |
| Daily condensate production rate | 769 bopd | |
| Daily water production rate | 17 bwpd | |
| chlorine content | 21,000 ppm | |
| Design life | 20 years | |
생산정을 통해 생산된 유체는 해저 정두시설에서 제어된 후 해상플랫폼으로 이송된다. Fig. 7과 같이 해상플랫폼에서는 해저 파이프라인 내 하이드레이트 생성 및 부식방지를 위해 1차 수분제거를 거친다. 이후, 천연가스와 초경질유는 혼합되어 해저 파이프라인을 통해 육상터미널로 이송되며, 제거된 수분은 해상플랫폼에서 환경규제치를 준수하도록 처리 후 방류된다.
해상에서 해저 파이프라인을 통해 수송된 천연가스와 초경질유는 육상터미널에서 슬러그캐쳐, 인입분리기(inlet separator)를 통해 분리된다. 인입분리기의 상부로부터 분리된 천연가스는 수분제거, 탄화수소 이슬점 제어, 프로판가스 주입 및 부취제(odorant) 주입 후 육상파이프라인을 통해 판매된다. 초경질유는 슬러그캐쳐, 인입분리기의 하부로 분리된 후 초경질유 안정탑(condensate stabilizer)으로 이송시켜 초경질유 내 가스성분을 증류시켜 리드증기압(Reid Vapor Pressure, RVP)을 최대 12 psia로 처리 후 판매한다. 초경질유를 증류하는 과정에서 발생되는 가스성분은 압축기를 통해 가스 stream으로 순환된다. 추후 생산정을 추가로 개발할 예정으로 생산이 진행되었으며 계획에 따라 정두압력의 저하로 인한 생산감소를 방지하기 위해 추후 저압압축기(low pressure compressor)를 설치하여 운전하도록 계획하였다.
FEED에서 작성된 결과물들은 EPCIC(Engineering, Procurement, Construction, Installation, Commissioning)를 위한 입찰자료로 사용되었으며, 국내기업인 삼성엔지니어링 및 현대중공업이 참여하여 상세설계-구매-제작-설치-시운전을 성공적으로 수행한 결과 2004년 동해–1 가스전의 생산이 개시되었다. 생산된 천연가스는 한국가스공사와 국내 도시가스 판매사양에 대한 협의 후 울산경남지역에 공급하였다. 또한 생산된 초경질유는 S-Oil에 판매되어 연료유로서 화학산업에 사용되었다. Fig. 8은 최종적으로 EPCIC 결과인 시설물들의 설치와 운영에 대한 전반적인 개요를 나타낸 것이다.
생산정 시추 및 유정완결
생산정 A, B, C는 2002년에, 생산정 D는 2007년에 시추하였다. Table 2에서와 같이 생산정 D를 제외하고는 생산성시험을 수행하였고, 생산정 C, D의 경우 PVT분석을 통해 유체에 대한 정보를 취득하였다. 생산정 A와 D는 각각 저류층 1과 4로부터 천연가스와 초경질유를 생산하도록 설계되었으며, 생산정 B와 C는 저류층 2, 3층에서 교차유동으로 생산하도록 완결되었다. 생산정 튜빙사이즈는 목표 생산량과 저류층의 생산성을 고려하여 노달분석(nodal analysis)을 통해 선정하였다. 육상처리시설과 파이프라인 용량을 고려하여 생산정당 목표 생산량을 25 mmscfd로 가정하고 탐사정 DST에서 산출된 생산성을 적용한 결과 튜빙사이즈 4.5 in에서 목표 생산량을 원활히 달성할 수 있음을 확인하였다.
유정완결은 해저유정완결 방식을 적용해 해저에 유체 제어시스템을 설치했으며, 저류층 구간에서는 케이싱에 천공을 통해 유체를 생산하는 형태를 적용했다(Fig. 9). 앞에서 기술한 바와 같이 해상구조물의 추가 제작이 없으므로 플랫폼을 단순화하였지만, 생산설비의 관리 및 운영에 어려움이 발생할 수도 있다. 특히, 가장 큰 위험요인은 해저 생산관에서의 하이드레이트 발생으로 인한 생산중단 가능성이며, 이에 관련 연구를 수행하였다(KNOC, 2004). 그 결과, 생산 개시 직전에는 낮은 해수 온도 영향으로 인한 하이드레이트 발생 가능성이 있기 때문에 상당량의 모노에틸렌글리콜(Monoethylene Glycol, MEG)(60% 이상)을 생산정의 일시 생산중지 전에 주입해야 하고, 정상 운영시에는 저류층 유체유입에 따른 온도 증가로 하이드레이트 발생위험이 높지 않으므로 MEG를 따로 주입할 필요가 없음을 확인하였다.
생산단계
2004년 7월 A, B, C 생산정의 생산을 개시하였으며, 생산정 D는 2009년 11월부터 운영되었다. Fig. 10은 동해–1 가스전의 생산이력을 나타내고 있다. 이후 2017년부터 인근 구조에서 추가로 발견된 저류층(동해–2 가스전)를 연결하여(tie-in) 생산해왔다.
생산을 시작한 이후로는 안정적으로 생산정, 저류층 및 해상/육상시설을 운영하는 것이 중요하다. 이를 위해서 시설물에 대한 정기적인 유지보수를 수행하였으며 저류층 거동에 대한 지속적인 모니터링과 매장량 평가를 수행하였다. 동해–1은 18년 동안, 동해–2는 4년동안 인근지역에 안정적으로 천연가스를 공급해 왔으며, 이 기간동안 생산정, 저류층, 해저 및 육상시설에 대한 다양한 기술과 경험이 축적되었다.
생산량 관리
생산을 시작한 이후로는 저류층 관리를 효과적으로 하는 것이 중요하다. 탐사단계의 탐사정/평가정 시추를 통해 취득한 저류층 구조 및 암석/유체의 물성을 바탕으로 부존량의 크기를 추정하는 반면, 생산단계에서는 생산자료 취득을 통해 부존량 및 매장량의 불확실성을 줄여나간다. 이를 위해 생산자료 즉, 생산에 따른 정두압(Well Head/Tubing Head Pressure, WHP/THP)과 공저압(Bottom Hole Pressure, BHP)의 변화와 생산량 자료를 취득한다. 이를 바탕으로 생산정별 생산량을 합리적으로 추정해야 하며, 이를 생산량 재할당(back-allocation)이라고 한다.
저류층으로부터 생산된 유체는 분리기를 거쳐서 가스와 오일로 나눠지는데, 일반적으로 시험분리기(test separator)에 특정 생산정을 연결하여 가스/오일의 생산량을 측정하는 작업을 생산정마다 주기적으로 수행하게 된다. 이때 시험분리기에 연결되지 않은 다른 생산정들은 동시에 생산분리기(production separator)를 통해서 가스/오일이 분리되고 전체 유체량의 합이 계측된다. 따라서, 생산정들이 생산분리기에 연결되어 있는 기간에는 생산량을 직접 측정할 수 없으므로 생산량에 대한 재할당이 이뤄져야 한다. 특히, 동해–2 가스전 생산이 시작된 2016년 하반기 이후로는 사업여건상 동해–2 생산정이 시험분리기에 연결되어 운영되고 있어 동해–1 생산정들은 기존의 생산경향을 기준으로 생산정별 재할당이 이루어졌다.
생산운영 중에는 유정시험을 통한 저류층 압력추정이 어려운 것이 현실이다. 따라서, 생산정을 시험분리기에 연결한 동안 4점 시험(4-point test)등을 통해서 저류층 압력 및 생산동향을 간접적으로 추정하고, 이를 시뮬레이션 모델로 검증하는 ‘자료취득-분석-모델결합-예측’의 시스템적 분석을 통해 생산량 할당을 검증해 왔다(Fig. 11). 불확실성이 큰 생산초기에 해당 작업들을 비중있게 수행하였고, 특히 동해–1의 마지막 생산정인 생산정 D의 경우, 대상 저류층 하부에 대수층이 존재하는 것으로 파악되어, 불가피하게 일시 생산중지를 할 때마다 대수층 영향의 강도를 모니터링하였다.
앞서 언급한 Fig. 10의 생산이력은 재할당된 생산량으로서 추후 생산량천이거동(Rate Transient Analysis, RTA) 등의 생산량 분석, 시뮬레이션 모델 입력 및 검증자료로 활용, 생산감퇴곡선(Decline Curve Analysis, DCA)등에 활용되었다. 이를 통해 주기적으로 저류층 초기 부존량, 매장량 및 추후 생산거동에 대한 예측과 불확실성 감소 작업이 가능하였다.
생산량 증대 노력
제한된 부존량으로부터 최대한 천연가스를 많이 생산하기 위한 다양한 노력들을 수행해 왔다(KNOC, 2022). 아래에 주요 생산 증대 노력들을 정리하였다.
동해–2 결합 생산
동해–1 가스전을 성공적으로 개발하고 생산이 안정적으로 진행됨에 따라, 동해–1 해상시설물들은 인근 소규모 가스전들에 대한 탐사, 개발, 생산의 허브로 활용될 수 있었다. 기존의 탐사활동을 통해 가스부존은 확인하였지만 규모가 작아 상업성이 없다고 판단되었던 구조들도 큰 규모의 추가 CAPEX, OPEX 없이 개발 및 생산이 가능하도록 환경이 변하게 된 것이다. 이로 인해 인근 부존구조의 경제성에 대한 제약이 완화되었고, 이는 활발한 탐사활동으로 이어지는 기반이 되었다. 그 결과, 고래–Ⅷ, 고래–Ⅺ 등의 구조에 대해서 개발가능성을 검토할 수 있게 되었다.
그 중 하나로, 동해–1 가스전으로부터 남서방향 5 km 지점에서 발견한 고래–Ⅷ 구조를 개발할 수 있었다. 초기 예측으로는 동해–1 부존량의 10~20% 수준의 부존량으로 단독개발이 어려운 구조였지만, 동해–1 가스전 시설을 활용함으로써 개발 및 생산이 가능하게 되었다. 기존 탐사자료 및 동해–1 가스전 탐사 및 생산동향 자료를 바탕으로 2016년 생산정 시추 및 테스트를 완료하였고, 이후 동해–2 가스전이라 명명하여 생산운영하였다. 동해–2 가스전은 약 5년간 생산하며 천연가스를 공급하였고, 2021년 8월 운영을 종료하였다.
분리기 인입압 조정
생산초기 4년 동안은 해상플랫폼의 분리기(separator)의 인입압력(inlet pressure)을 111~108 barg로 운영하였으나, 그 이후로 해상플랫폼에서의 생산유체 처리공정(process)을 지속적으로 개선시키면서 인입압을 14 barg까지 단계적으로 감소시키며 운영하였다. 분리기 인입압력의 감소는 연쇄적으로 정두압 및 공저압의 감소를 가능하게 하였고, 결과적으로 저류층 압력의 감소도 가능하게 함으로써 아래의 식 (1)에서와 같이 누적생산량() 증가 및 생산종료시점 연기가 가능하게 하였다. 여기서, p는 저류층 평균압력, z는 가스압축지수(z-factor), GIIP(Gas Initially In Place)는 원시가스부존량을 나타내고, 첨자 i는 초기조건을 의미한다. 아래의 Fig. 12는 물지수지(material balance)의 개념으로 인입압 감소에 궁극가채회수량(Estimated Ultimate Recovery, EUR)의 증가를 모식적으로 나타낸 것이다.
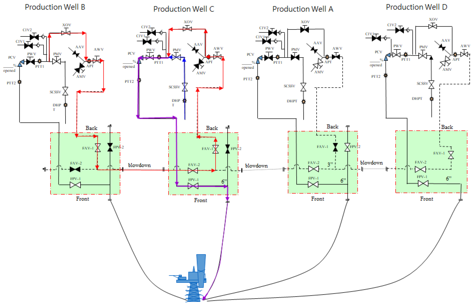
Blow-down line을 통한 생산정 B, C 통합생산
저류층으로부터의 생산 유량이 감소하게 되면, 감소된 유량이 노달분석 혹은 현장실험을 통해 추정한 튜빙이나 플로우라인에서의 액체축적(liquid loading) 경계 이하로 감소할 경우가 있다. 즉, 낮은 유량으로 인해 주요 생산유동 경로인 튜빙을 통한 저류층-해저정두, 플로우라인을 통한 정두-플랫폼까지 유동 중 적어도 하나가 불가능해질 수 있다. 실제로, 저류층 압력감소에 따라 생산량이 감소하여, 생산유체가 정두까지는 유동할 수 있으나 유량이 충분하지 않아서 플로우라인 유동가능 임계값에 미치지 못하는 현상이 발생하였다.
생산정 B, C는 각각 저류층 2, 3에서 교차유동의 방법으로 생산하므로, 생산정 B가 생산을 중단해도 동일한 저류층들에서 천연가스를 생산정 C를 통해 생산할 수 있다. 하지만, 저류층 내 압력분포가 생산정 C기준으로만 낮아지므로 전체적으로 회수율은 낮아질 수 밖에 없다. 여기서, 정두까지 유동한 생산정 B의 생산유체를, 생산정 B의 플로우라인이 아닌 생산정 C의 플로우라인으로 유동을 유도하는 작업을 수행하였다. 생산정 C 정두로 Blow-down line을 통한 유동을 유도하여, 생산정 B, C에서의 생산이 통합되도록 시스템을 변경하였다(Fig. 13). 이 과정을 통해서 생산정 B의 생산기간을 연장할 수 있었고, 이는 저류층 2, 3의 EUR 증가에 기여하였다.
가스재주입을 통한 생산중단문제 해결
생산시설의 안정적인 유지관리를 위해서는 정기적으로 유지보수를 수행해야 한다. 이 과정에서 생산정의 생산중단 및 전체 플랫폼 셧다운이 필요하다. 기존에 튜빙과 플로우라인을 통해 유동하던 가스, 오일, 물의 3상의 유체혼합물은 생산중단 이후 중력에 의해 수직적인 상분리 현상이 발생한다. 이중 가장 밀도가 높은 물이 하부에 위치하여 저류층 천공구간을 덮을 수 있다. 생산중단 기간이 지속될수록 습윤상(wetting phase)인 물이 저류층 유동통로를 막을 뿐 아니라 수포화도 증가에 의해 가스와 오일의 상대유체투과도를 감소시켜 결국 생산성 감소 내지는 생산 중단을 초래하게 된다(Fig. 14(a)).
2016년 정기 유지보수 작업 이후 생산정 및 플랫폼 시동 과정에서 앞서 언급한 이유로 생산 중단이 최초로 발생하였다. 따라서, Fig. 14(b) 및 (c)와 같이 생산을 재개하고 생산성을 회복하기 위하여 다른 생산정 생산가스 중 수분을 제거하여 해당 생산정에 재주입하였다. 약 2주간 가스를 주입하여 Fig. 14(d)와 같이 저류층 내 유동채널을 만들고 가스 유동이 가능한 충분한 가스 포화도를 만들 수 있도록 유도하였다. 또한 가스 생산 재개 직전 메탄올(MeOH)을 주입함으로써 하이드레이트 생성을 방지하였다. 이 과정을 통해 생산을 재개하였으며 서서히 생산성이 회복됨을 확인하였고(Fig. 15), 추후 동일한 문제 발생 시 같은 방법을 적용하여 2021년 말까지 생산을 지속할 수 있었다.
이젝터(Ejector) 설치 및 운영 검토
앞서 Fig. 12에서 설명한 바와 같이, 정두나 플랫폼으로 유입되는 유체의 압력을 낮출 수 있다면 그만큼 생산기간과 회수율을 증가시킬 수 있다. 동해–1 가스전을 운영하면서 다양한 증산방안에 대한 검토 중의 하나로 이젝터 설치 및 운영을 검토하였다. 이젝터는 유체의 압력 평형법칙(Bernoulli’s equation)을 이용하는 비용이 낮고 설치기간이 짧은 설비이다. 생산말기 기존 압축기의 유휴 용량을 활용한 고압·고유량의 가스(high pressure motive gas)를 Fig. 16과 같이 이젝터의 고압 motive gas로 사용하고 저류층으로부터의 저압·저유량의 가스를 흡입시켜 중간압력과 중간유속의 혼합가스 유동을 만들게 된다. 즉, 저비용의 압축기 역할을 하는 설비이다.
결과적으로 이젝터 설치는 저류층으로부터 생산되는 가스에 필요한 정두압 및 공저압을 소폭 감소시켜 생산량과 생산기간을 증대시킬 수 있는 방안이다. 동해–1 가스전의 경우, 이젝터 최적 설치시기는 도출하였으나, 생산량 불확실성 및 설비운영 안정성 등의 이유로 실제 설치 및 운영은 하지 않았다. 이젝터 설치와 관련한 일련의 검토는 생산후기 낮은 생산량 문제를 극복하기 위한 다양한 노력의 일환이었다.
시설물의 안정적 운영
저류층으로부터 가스를 생산한다고 하더라도 생산시설이 안정적으로 유지되지 못한다면 생산운영에 차질을 빚게 된다. 이를 방지하기 위해 생산시설에 대한 정기적 유지보수를 수행하면서 안정적 운영을 위한 관리작업을 충실하게 수행해 왔다. 아래에는 정기유지보수 작업 외에 안정적 운영을 위한 비정기적 작업에서의 노력들을 기술하고 있다.
해상파이프라인의 안정성 분석
앞서 언급한 개발개념에서 해상에서 1차 처리한 유체를 육상으로 운송할 때, 약 68 km(해저배관: 61 km, 육상매설배관: 7 km)의 파이프라인을 이용하게 된다. 육·해상 모두 배관이 1~4 m 깊이로 매설되어 있고 전반적으로 지형구배가 완만한 편이나, 해상플랫폼 근처와 육상 해안구간 인근에서 저점이 네 군데 존재하고 있다(Fig. 17(a)). 이는 파이프라인 내 액체축적(liquid loading)이나 슬러그 유동 현상을 야기할 수 있으므로, 운송되는 천연가스량과 초경질유천연가스비(condensate-gas ratio, CGR) 15 bbl/mmscf에 해당하는 초경질유량의 운송에 대한 유동안정성 분석을 수행하였다(KNOC, 2004).
그 결과, Fig. 17(b)와 같이 가스 유량이 50 mmscfd 이상일 경우에도 Fig. 17(a)에서의 저점들에서 액체 비중(liquid holdup)이 크게 나타나고 있고 플랫폼과 육상 인근에서 슬러그 유동이 발생할 수 있다. 하지만, 그 두 지역을 제외한 전체 구간에서는 전반적으로 안정적인 유동을 기대할 수 있다. 반면, 가스 유량이 35 mmscfd이하일 경우에는, 구배가 완만한 구간에서도 액체 비중이 크게 나타날 수 있고, 이로 인해 유동이 불안정해질 수 있음을 알 수 있다. 이와 관련하여 육상에서 슬러그캐쳐를 설치하여 슬러그 유동으로 인한 진동 문제를 완화하며 운영하였다.

Fig. 17.
Flow assurance study (before commencement of production) (a) subsea geometry of pipeline (Back and Ki, 2020) (b) analysis of liquid loading (KNOC, 2004).
생산후기로 갈수록 생산량과 압력은 감소하므로 이에 따라 초기의 유동안정성 분석에 대한 보완 작업이 지속되었다. Back and Ki(2020)는 초기대비 생산말기 낮은 생산량 조건에서의 유동특성에 대한 변화 양상을 분석하였다. 유량이 10 mmscfd 미만으로 감소할 경우(Case 1), 고유량(Case 2) 유동에 비해서 전반적인 유동 패턴이 슬러그 유동의 형태로 나타나고(Fig. 18(a)), 파이프라인 곳곳에 액체축적현상이 나타났으나(Fig. 18(b)), 이로 인해 유동이 불가능해지는 현상은 단시간에 일어나지 않음을 확인하였다.

Fig. 18.
Flow assurance study with low gas production rates (a) flow pattern according to flowrate changes (Taitel et al., 1980; Back and Ki, 2020) (b) an example of liquid loading distribution (Back and Ki, 2020).
신규생산정 압축가압기 우회 운영
전술한 바와 같이, 생산정들의 시추 및 생산시기가 서로 상이하면, 이에 따라 저류층의 압력감쇄의 정도와 해상시설 즉, topside 도달 압력이 서로 상이하게 된다. 생산정들로부터 압축가압기(booster compressor)로 유입되는 유체들의 압력이 상이하면, 진동/역류 문제 등이 발생가능하고, 이로 인해 유지보수/관리, 나아가 압축가압기의 안정적 운영의 위험요소가 된다.
동해–1 A~C 생산정과 생산정 D, 동해–2 생산정의 생산개시 시점이 서로 달라 생산정 사이의 압력이 크게 다름에 따라, 해상플랫폼에서 고압의 생산정은 압축가압기를 우회(bypass)하도록 시설물 수정을 수행하여 운영하였다(Fig. 19). 이로 인해 압축가압기 및 해상플랫폼의 안정적 운영이 가능하였고, 이는 전 생산기간동안의 무사고 조업에 크게 기여하였다.
파이프라인 내 슬러그 유동 해결방안
동해–1 가스전의 해상시설과 육상시설 사이에는 항상 유체가 존재한다. 가스생산량 변동, 해상시설 가동개시, 저유량 등의 이유로 발생하는 유동 불안정 등은 파이프라인의 저점에 존재했던 초경질유와 미량의 수분이 불안정하게 육상시설로 유입될 수 있다. 이 현상을 슬러깅(slugging)이라 하며, 슬러깅을 효과적으로 제어해야 육상시설의 안정적 운영이 가능하다.
이러한 슬렁깅 제어를 위해서 두 가지 방안이 활용되었다. 우선, 해상시설에서 송출하는 가스 유량의 변화, 특히 유량을 증가(ramp up)시키는 경우 수일에 걸쳐 서서히 증가시켜야 한다. 이를 위해 육·해상간 긴밀한 연락과 과거기록들에 대한 정확한 검토를 바탕으로 유량변화의 속도를 적절히 제어하며 운영하였다. 또한, 육상시설의 유체 도입부에 슬러그캐쳐(slug catcher)를 설치 및 운영하여 슬러그를 제어하면서 육상시설을 운영하였다. 이와 같이 동해–1 가스전 설계 시부터 운영시기 및 시나리오별 슬러그 양과 유입시간 등을 면밀히 검토하여 실제운영에 활용하였다. 생산후기에도 앞서 언급한 유동안정성 분석에서 슬러그 유동의 정도에 대한 예측을 수행하는 등 면밀한 분석과 모니터링을 지속해 왔다.
매장량 평가 및 저류층 관리
동해가스전은 효율적인 자산관리를 위해 주기적인 매장량 평가와 원시부존량 평가를 포함한 기술적 점검이 이루어졌다. 취득하는 생산자료의 양과 저류층 거동에 대한 분석 등을 바탕으로 매장량 평가 결과는 지속적으로 수정·보완되었다.
생산초기에는 가용한 생산자료의 한계로 인해 용적법(volumetric method)을 적용해 원시부존량을 산출하고, 여기에 물질평형법을 적용해 매장량을 산출했다. 비교적 간단하게 계산할 수 있지만, 오차범위가 크고 대수층 크기와 강도에 대한 불확실성을 내포하고 있다는 단점이 있다. 이를 보완하기 위해서 앞서 언급한 바와 같이, 생산거동 모니터링, 저류층 거동 분석, 저류층 시뮬레이션 모델 업데이트의 시스템적 접근을 설계하였고, 이에 대한 수행을 생산초기부터 실시하였다.
생산중기에서는 비교적 많은 양의 생산자료가 축적됨에 따라 보다 다양한 분석이 가능해졌다. 일정 초크밸브 조건에서 생산량 감퇴가 시작됨에 따라, 감퇴곡선법도 생산거동에 활용될 수 있었다. 또한, 생산에 따른 유동 공저압 변화 자료를 이용해 유동물질평형법(Flowing Material Balance, FMB)을 통한 원시부존량 평가를 수행하였다. 유동물질평형법은 유동공저압, 생산량, 생산성지수(PI)로 저류층의 평균압력을 추정하고, 추정한 저류층의 압력으로 물질평형수지법(material balance)을 적용해 원시부존량과 생산에 따른 저류층 평균압력을 산출하는 방법이다(Mohammed and Enty, 2013).
여기서, m(p), P, z, G, Gp는 각각 의사압력(pseudo pressure), 저류층 압력, 가스압축지수, 가스 원시부존량, 누적 가스 생산량을 의미한다.
또한, 생산자료는 저류층 시뮬레이션 모델의 생산이력맞춤(history matching)의 입력 및 검증 변수로 활용됨에 따라 시뮬레이션 모델의 불확실성 분석 및 업데이트가 가능하게 되었다. 특히, FMB를 통한 원시부존량 추정량이 지질모델 설정의 가이드라인으로 활용가능하게 됨에 따라 지질모델과 시뮬레이션 모델 간의 유기적인 결합이 가능하게 되었다. 그리고, 이렇게 업데이트된 모델은 현장에서의 생산거동과 지속적으로 비교검증하면서 향후 생산거동 및 매장량 예측의 방법으로 활용되었다.
생산말기에 이르러서는 다양한 저류층 관리의 어려움들을 겪게 되었다. 앞서 언급한 생산정 D에서의 일시 생산중단 후 생산재개 시액체축적에 의한 생산중단 현상이 반복됨에 따라, 생산성이 완전히 회복되지 못하는 현상들이 나타났다. 또한, 생산정 A, B, C에서의 저류층 압력 자연감소에 의해 생산이 지속되지 못하는 현상이 발생하여 시뮬레이션 기법을 적용하기 어렵게 되어, DCA와 RTA기법 위주로 매장량을 평가하였다. Table 6은 지속적으로 수행한 원시부존량 평가 결과를 상대적인 크기로 도시한 것이다. 생산거동이 비교적 단순한 저류층 1, 2, 3의 경우 비교적 초반에 생산량 예측의 불확실성이 줄어든 반면, 대수층에 의해 저류층 내 유체거동이 상대적으로 복잡한 저류층 4는 생산 후반부까지 불확실성이 남아 있었다.
Table 6.
History of GIIP evaluation (relative to the final estimated value)
천연가스 공급중단 및 향후 저류층 활용
동해–1 가스전은 2021년 12월 31일을 기점으로 공급을 종료하였으며, 종료까지 천연가스 및 초경질유 각각 183.07 bcf, 3.41 MMbbl을 생산하였다. 시뮬레이션 및 물질수지방정식 분석결과 생산종료 시점의 저류층 1, 2/3, 4의 평균압력은 각각 750, 500, 1200 psi 등으로 평가된다. 여기서 저류층 4의 압력이 상대적으로 높은 이유는 하부 대수층의 압력보충에 의한 것으로 판단하고 있으며, 압력보충의 크기가 상대적으로 크지 않았기 때문에 실제로 높은 회수율로 운영할 수 있었다.
동해–1 가스전은 2021년 12월 31일 공급종료 이후 기존설비를 활용해 CCS(Carbon Capture and Storage)를 위한 CO2 저장기지로 운영될 계획이다. 중규모 CO2 실증을 위한 개념설계안을 도출 중에 있으며 연간 40만톤, 30년간 총 12백만톤 주입계획으로 2025년 주입개시를 목표로 하고 있다. 이에 CO2 지중저장 프로젝트 가능성 평가를 위해 시추코어를 활용한 암석파괴강도 실험 및 유체상대투과도 실험을 수행하였고, CO2 저장용량에 영향을 미치는 영향인자들을 산출하였다. 실험에서 도출된 영향인자 수치를 시뮬레이션 입력인자 및 경계조건으로 적용하여 시뮬레이션을 수행한 결과 저장용량, CO2 확산거리 및 주입 프로파일을 도출하였다. 시뮬레이션을 통한 CO2 저장용량과 저장 안정성에 대한 분석결과, 초기압력 기반의 주입한계압력에 도달하지 않고 누출한계예상지점으로 가정하는 spill point까지 CO2가 유동하지 않으면서 연간 40만톤급 중규모 CO2 저장소 운영이 가능한 것으로 평가되었다.
Fig. 20은 모든 운영여건이 제대로 작동되는 경우를 가정했을 경우 CO2농도 분포 예측의 한 예를 보여주고 있다. 동해–1을 처음 생산개시 이후 많은 기술적 경험과 노하우를 축적해왔듯이, CO2주입 운영 또한 주입정에 대한 이해와 운영노하우가 많이 요구되는 작업일 것으로 판단된다. 생산정을 모니터링하면서 문제를 사전에 인지하고 발생한 문제를 해결해왔던 경험들이 주입정에 충분히 활용될 수 있을 것이다. 가스전의 다양한 경험과 운영기술을 충분히 축적하고 있는 한국석유공사에게 CCS는 기존 역량의 활용과 발전을 요하는 새로운 도전의 영역으로 판단된다.
결론 및 요약
동해–1 가스전은 과거 수십년간 축적된 경험과 지식을 바탕으로 세계적으로 흔치 않은 탐사성공플레이로서 이 탐사의 성공은 우리나라를 95번째 산유국으로 만들었을 뿐 아니라, 탐사/개발/생산에 관련된 기술의 발전과 축적의 초석이 되었다. 이후, 개발에 관련된 많은 타당성 평가 및 기술적 논의들을 바탕으로 모든 분야의 인력들이 생산개시를 위해 노력하였고, 2004년부터 2021년까지 순수 국내기술을 바탕으로 울산 및 인근지역에 천연가스와 초경질유를 안정적으로 생산 및 공급하였다. 총 생산량은 천연가스와 초경질유 각각 총 183.07 bcf, 3.41 MMbbl이며, 탐사/개발/생산 전 과정의 기술과 경험을 습득하였다. 이러한 노하우들은 한국석유공사의 다양한 사업들의 초석으로 활용되었고, 향후에도 유용하게 활용될 것으로 판단된다.
동해–1 가스전 탐사/개발/생산 과정을 독자적으로 운영하는 과정에서 주요 유의미한 작업들에 대해서는 다음과 같이 정리할 수 있다.
(1) 동해–1은 수십년간의 탐사자료에 대한 분석을 바탕으로 울릉분지 지역에 대한 이해의 폭을 넓혀 층서/구조 복합트랩의 탐사플레이를 적용한 신규탐사개념을 적용하여 발견에 성공한 좋은 사례이다.
(2) 소규모 가스전을 경제성있게 개발하기 위해 해저생산시설, 천연가스-초경질유 파이프라인 운송 등의 도전적인 개발개념들을 과감히 적용하였고, 이후 18년간 안정적으로 생산운영을 수행하였다.
(3) 생산량과 기간을 증대시키기 위해 다양한 방안들을 수행하였다. 특히, 동해–1 가스전의 기존 운영시설은 인근의 소규모 가스전의 연계개발을 가능케 하는 허브 역할을 하였다.
(4) 유동안정성 분석 등의 안정적 운영을 위한 노력을 지속해왔으며 이를 바탕으로 천연가스와 초경질유의 안정적 공급에 기여하였다.
(5) 주기적으로 저류층 거동 분석 및 매장량 평가를 수행함으로써 저류층 관리 및 생산거동 예측의 기술적 불확실성을 완화시킬 수 있었다.
위의 노력들을 통해 초기예상 대비 더 많은 양의 천연가스와 초경질유를 생산할 수 있었으며, 이는 운영사인 한국석유공사에 초과이익 뿐 아니라, 가스 수요회사의 수입대체효과를 창출하였다. 이후, 동해–1의 고갈된 저류층들은 CCS에 활용될 예정이다. 탐사, 개발, 생산의 과정을 통해 축적된 자료들은 현재의 저류층 상황과 조건들에 대한 이해를 높여주었고, 이는 CO2를 주입하는 초기조건으로 유용하게 활용될 것이다. 동해–1 가스전은 우리 나라 석유가스개발의 시효가 되었던 것과 같이 현재 각광받는 신성장사업의 하나인 CCS사업의 효시가 될 것으로 예상된다. 동해–1 가스전을 생산하면서 수행해왔던 다양한 운영 노하우 및 성과들은 새로운 형태의 신성장사업의 동력기지에서 새로운 역할의 근간으로 활용될 것이다.



















